WBPM消防设备电源监控系统典型设计应用图例
一、消防设备电源监控系统典型设计应用图例

设计说明:
1)消防设备电源监控系统应通过GB28184-2011的检测,须具有国家消防电子产品质量监督检验中心出具的产品型式检验报告。
2)为各类消防设备供电的交流或直流电源,包括主备电源发生过压、欠压、缺相、过流、中断供电等故障时,WBPM消防电源监控器能进行声光报警、记录;并显示被监测电源的电压、电流值及准确故障点的位置;能提供1路RRS232和1路RS485接口,将工作状态和故障信息传输给消防控制室图形显示装置。
3)WBPM消防电源监控器专用于消防设备电源监控系统并独立安装在消防控制室,可记录100000条以上的故障信息;不能兼用其它的消防系统,不与其它消防系统共用设备;通过软件编程远程设定现场传感器的地址编码及故障参数,方便系统调试及后期维护使用。
4)WBPM消防设备电源监控系统可输出8个回路,连接传感器的地址总数为512点。
5)系统总线采用NH-RVS-2×1.5mm (通讯线) NH-BV2×2.5mm (电源线)SC20同管敷设;系统通讯采用CAN总线,可靠通讯距离8000M.
6)现场传感器的供电由消防电源监控器集中提供DC24V电源,现场传感器应自带总线隔离器,采用标准35mm导轨安装,均有配电箱厂家安装于被检测配电箱、柜内。
7)传感器采集电压和电流信号时,采用不破坏被检测回路的方式,同时检测开关状态,不能采集其它消防控制设备的输出信号。
8)区域分机自带备用电源,能延长系统供电距离500m、通讯距离2000m,管理64台传感器,并上传自身的工作状态至消防电源控制器;在一条输出回路上可二次增设区域分机。
9)系统的施工,按照批准的工程设计文件和施工技术方案进行,不得随意变更,确需变更设计时,应由设计单位负责更改并经审图机构审核。
二、多区域大型消防设备电源系统图

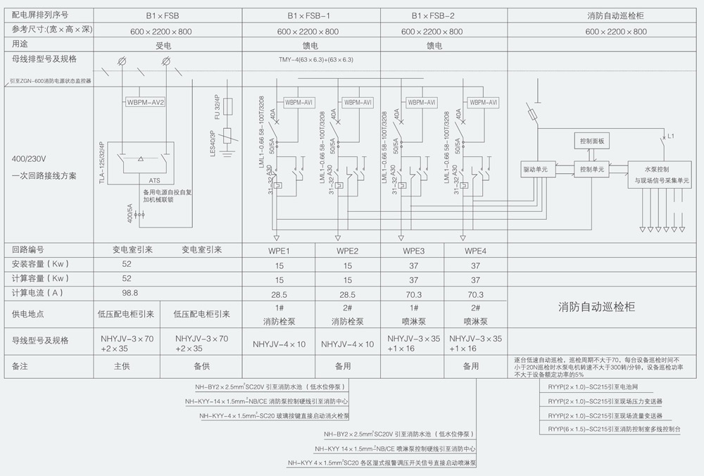
三、消防泵配电柜消防设备电源监控系统图

© 2017 上海稳宝电子电气有限公司 版权所有




